İlan Detay

Makine İmalatı Yedek Parça İmalatı

Paylaş

Fotoğraflar yükleniyor

İlan No 2267
İlan Tarihi 4 Ağustos 2025
Firma Ünvanı Egeçev makine
İlan No 2267
İlan Tarihi 4 Ağustos 2025
Firma Ünvanı Egeçev makine

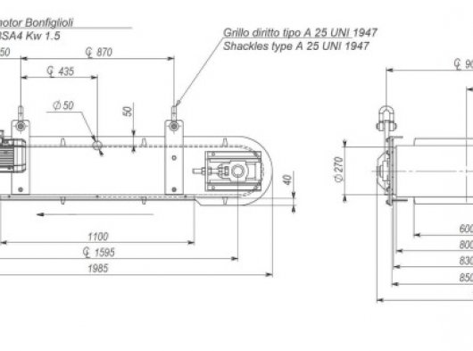
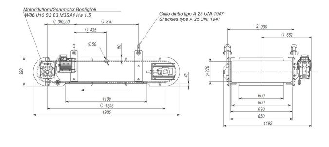
Türkiye'de kırma eleme tesisi olan firmaların götürü olarak bakım onarım işlerini ve ihtiyaç görülen yedek parça ve imalat işleri deneyimli ekibimiz ile en iyi şekilde yapılır.

Türkiye'de kırma eleme tesisi olan firmaların götürü olarak bakım onarım işlerini ve ihtiyaç görülen yedek parça ve imalat işleri deneyimli ekibimiz ile en iyi şekilde yapılır.

1540 kez görüntülendi!
Ana Sayfa Mesajlar İlan Ver Bildirimler 42 Bana Özel